|
|
 |
产品介绍<Product > |
 | |
星形出料阀
|
应用领域 适用于电力、化工、冶金、建筑、粮食等行业粉粒体的连续均匀配料、输送、卸料。
例:煤粉、水泥、尘灰、谷物、化工原料等的输送。
性能特点
在电机的驱动下,经减速机带动主轴上的叶轮旋转,把物料从上部仓通过叶轮槽内旋转的叶轮带动至出料口均匀地喂送出去。
进出料口有圆形法兰和方形法兰两种形式。
整机采用直联或链传整体式,精致轻巧,驱动装置无需另设安装基础,减少占用空间,节省费用 。
根据被输送物料性质的特性可配防爆电机、调速电机等。
技术特性
型 号 |
XF100 |
XF150 |
XF200 |
XF250 |
链轮式 |
直连式 |
链轮式 |
直连式 |
链轮式 |
直连式 |
链轮式 |
直连式 |
生产能力(m3/h) |
0.5 |
1.0 |
0.8 |
1.6 |
2.6 |
5.2 |
6.6 |
13.3 |
| 叶轮转速(r/min) |
16.3 |
32.3 |
16.3 |
32.3 |
16.4 |
32.5 |
16.4 |
32.5 |
| 叶轮直径 |
Ф100 |
Ф150 |
Ф200 |
Ф250 |
减速机 |
功率(kW) |
0.55~0.75 |
1.1 |
型 号 |
BWY或BLY |
型 号 |
HHXF300 |
HHXF350 |
HHXF400 |
HHXF500 |
链轮式 |
直连式 |
链轮式 |
直连式 |
链轮式 |
直连式 |
链轮式 |
直连式 |
生产能力(m3/h) |
10.5 |
21 |
18.6 |
32.3 |
23.6 |
47.3 |
39.4 |
78.8 |
| 叶轮转速(r/min) |
16.3 |
32.3 |
16.3 |
32.3 |
16.4 |
32.5 |
16.4 |
32.5 |
| 叶轮直径 |
Ф300 |
Ф350 |
Ф400 |
Ф500 |
减速机 |
功率(kW) |
1.1~2.2 |
2.2~4 |
型 号 |
BWY或BLY |
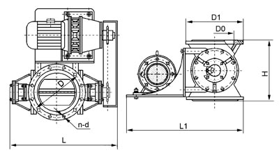
安装尺寸
型 号 |
L |
H |
D |
D0 |
D1 |
n×d |
XF100 |
1019 |
250 |
210 |
110 |
220 |
8×18 |
XF150 |
1049 |
290 |
240 |
160 |
285 |
8×22 |
XF200 |
1151 |
350 |
295 |
220 |
340 |
8×22 |
XF250 |
1201 |
420 |
350 |
270 |
395 |
12×22 |
XF300 |
1270 |
500 |
400 |
320 |
445 |
12×22 |
XF350 |
1330 |
550 |
460 |
375 |
505 |
16×22 |
XF400 |
1442 |
630 |
515 |
425 |
565 |
16×26 |
XF500 |
1542 |
750 |
620 |
530 |
670 |
20×26 |
型 号 |
L |
L1 |
H |
D |
D0 |
D1 |
n×d |
XW100 |
500 |
460 |
250 |
210 |
110 |
220 |
8×18 |
XW150 |
550 |
505 |
290 |
240 |
160 |
285 |
8×22 |
XW200 |
665 |
705 |
350 |
295 |
220 |
340 |
8×22 |
XW250 |
745 |
810 |
420 |
350 |
270 |
395 |
12×22 |
XW300 |
800 |
850 |
500 |
400 |
320 |
445 |
12×22 |
XW350 |
880 |
885 |
550 |
460 |
375 |
505 |
16×22 |
XW400 |
920 |
925 |
630 |
515 |
425 |
565 |
16×26 |
XW500 |
1020 |
1025 |
750 |
620 |
530 |
670 |
20×26 |
|
|
| | | | | | |