|
|
 |
产品介绍<Product > |
 | |
沥青三螺杆泵
|
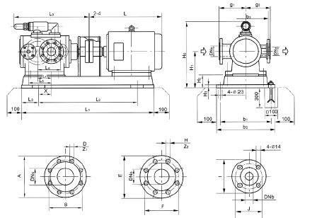
| 3QGB系列三螺杆泵 |
| 3Q G B系列三螺杆泵是一种容积式泵,显著的优点是结构简单、体积小,允许高转速工作平稳可靠、压力脉动小、流量稳定、噪音低、效率高,正是利用螺杆啮合原理,依靠旋转的螺杆在泵套内相互啮合,把被输送的介质封闭在啮合腔内,沿螺杆轴向连续匀速地推至排出口,为系统提供稳定的压力。 |
|
三螺杆泵适用于输送各种无腐蚀性油类及类似油的液体,输送液体的粘度一般为3.0~760m m2/S。高粘度介质可通过加温降粘后输送,其温度一般不超过350℃。
3Q G B系列三螺杆泵采用铸钢制成,有保温和不带保温两种,建议高粘度介质采用保温结构的螺杆泵。泵的进出口方向,在通常情况下按图示方向出厂即右进左出,如用户有特殊要求也可做成左进右出。
三螺杆泵广泛应用于石油、化纤、冶金、机械、电力、机床、船舶、玻璃、公路等各行各业。
三螺杆泵适用于输送燃料油、润滑油、液压油、重油、沥青及其它类似油的润滑性液体。
该泵密封性能好,采用机械密封,根据用户不同的介质,机械密封摩擦件选用不同的材质,对于高粘度介质,选用机械强度高、耐磨性好的硬质合金材料,保证了高温下的密封性能。 |
|
| 3QGB系列三螺杆泵基本技术参数表 |
泵规格 |
流量 |
出口压力 |
泵转速 |
功率KW |
必需汽蚀余量 |
电动机型号 |
m3/h |
L/min |
Mpa |
r/min |
轴功率 |
电机功率 |
45×3-36 |
2.8 |
46 |
0.6 |
950 |
0.8 |
1.1 |
5 |
90L-6-B3 |
2.7 |
45 |
1.0 |
1.2 |
1.5 |
100L-6-B3 |
2.5 |
42 |
1.6 |
1.6 |
2.2 |
112M-6-B3 |
2.4 |
40 |
2.5 |
2.8 |
4 |
132M1-6-B3 |
4.2 |
70 |
0.6 |
1450 |
1.0 |
1.5 |
5 |
90L-4-B3 |
4.0 |
66 |
1.0 |
1.7 |
2.2 |
100L1-4-B3 |
3.8 |
63 |
1.6 |
2.8 |
3 |
100L2-4-B3 |
3.5 |
58 |
2.5 |
4.3 |
5.5 |
132S-4-B3 |
45×2-46 |
4.2 |
70 |
0.6 |
950 |
1.0 |
1.5 |
5 |
100L-6-B3 |
4.0 |
66 |
1.0 |
1.7 |
2.2 |
112M-6-B3 |
6.3 |
105 |
0.6 |
1450 |
1.5 |
2.2 |
100L1-4-B3 |
6.1 |
101 |
1.0 |
2.3 |
3 |
100L2-4-B3 |
60×2-43 |
8.58 |
143.4 |
0.6 |
950 |
2.06 |
3 |
5 |
132S-6-B3 |
8.25 |
137.9 |
1.0 |
2.06 |
3 |
132M1-6-B3 |
13.1 |
218.9 |
0.6 |
1450 |
3.15 |
4 |
112M-4-B3 |
12.6 |
210.5 |
1.0 |
4.86 |
7.5 |
132M-4-B3 |
60×2-46 |
9.8 |
163 |
0.8 |
950 |
2.9 |
4 |
5 |
132M1-6-B3 |
9.5 |
158 |
1.0 |
3.6 |
5.5 |
132M2-6-B3 |
15.1 |
251 |
0.6 |
1450 |
3.6 |
5.5 |
132S-4-B3 |
14.6 |
243 |
1.0 |
5.5 |
7.5 |
132M-4-B3 |
80×2-36 |
17.0 |
283.3 |
0.8 |
950 |
4.3 |
7.5 |
5.5 |
160M-6-B3 |
25.7 |
428 |
0.6 |
1450 |
5.4 |
7.5 |
132M-4-B3 |
25.0 |
417 |
1.0 |
8.5 |
11 |
160M-4-B3 |
80×2-46 |
23.9 |
398.5 |
0.6 |
950 |
5.5 |
7.5 |
5.5 |
160M-6-B3 |
23.1 |
386.3 |
1.0 |
8.6 |
11 |
160L-6-B3 |
36.6 |
610.3 |
0.6 |
1450 |
8.4 |
11 |
160M-4-B3 |
35.7 |
594.5 |
1.0 |
13.1 |
15 |
160L-4-B3 |
80×2-51 |
27.5 |
485.3 |
0.6 |
950 |
6.3 |
11 |
5.5 |
160L-6-B3 |
26.9 |
448.3 |
1.0 |
10.5 |
15 |
180L-6-B3 |
41.9 |
698.3 |
0.6 |
1450 |
9.6 |
11 |
160M-4-B3 |
41.0 |
684.1 |
1.0 |
16.0 |
18.5 |
180M-4-B3 |
90×2-36 |
24.2 |
403.5 |
0.6 |
960 |
5.52 |
7.5 |
5.5 |
160M-6-B3 |
23.6 |
394.6 |
1.0 |
8.52 |
11 |
160L-6-B3 |
37 |
615.9 |
0.6 |
1450 |
8.52 |
11 |
160M-4-B3 |
36.1 |
602.4 |
1.0 |
13 |
15 |
160L-4-B3 |
|
| 3QGB系列三螺杆泵基本技术参数表 |
泵规格 |
流量 |
出口压力 |
泵转速 |
功率KW |
必需汽蚀余量 |
电动机型号 |
m3/h |
L/min |
Mpa |
r/min |
轴功率 |
电机功率 |
90×2-42 |
28.2 |
470.9 |
0.6 |
950 |
6.6 |
11 |
5.5 |
160L-6-B3 |
27.5 |
457.6 |
1.0 |
10.2 |
15 |
180L-6-B3 |
43.1 |
718.8 |
0.6 |
1450 |
10 |
15 |
160L-4-B3 |
41.9 |
698.5 |
1.0 |
15.5 |
18.5 |
180M-4-B3 |
90×2-46 |
34.0 |
566.7 |
0.8 |
950 |
9.7 |
11 |
5.5 |
160L-6-B3 |
52.6 |
875.4 |
0.6 |
1450 |
12 |
15 |
160L-4-B3 |
52.0 |
866 |
0.8 |
14.9 |
18.5 |
180M-4-B3 |
51.4 |
856.1 |
1.0 |
18.6 |
22 |
180L-4-B3 |
100×2-46 |
48.0 |
800 |
0.8 |
950 |
13.3 |
15 |
5.5 |
180L-6-B3 |
72.7 |
1212 |
0.6 |
1450 |
16.5 |
18.5 |
180M-4-B3 |
72.0 |
1200 |
0.8 |
20.4 |
22 |
180L-4-B3 |
71.2 |
1187 |
1.0 |
25.5 |
30 |
200L-4-B3 |
100×2-51 |
56.9 |
948.9 |
0.6 |
950 |
12.5 |
15 |
5.5 |
180L-6-B3 |
55.7 |
928.6 |
1.0 |
20.8 |
30 |
225M-6-B3 |
86.9 |
1448.3 |
0.6 |
1450 |
19.1 |
22 |
180L-4-B3 |
85.0 |
1417.2 |
1.0 |
31.8 |
37 |
225S-4-B3 |
110×2-46 |
60.9 |
1015 |
0.6 |
950 |
13.7 |
18.5 |
5.5 |
200L1-6-B3 |
58.9 |
951.7 |
1.0 |
21.8 |
30 |
255M-6-B3 |
96.7 |
1611 |
0.6 |
1450 |
21.9 |
30 |
200L-4-B3 |
94.6 |
1577 |
1.0 |
33.9 |
45 |
225M-4-B3 |
120×2-42 |
67.9 |
1131 |
0.6 |
950 |
15.5 |
18.5 |
5.5 |
200L1-6-B3 |
65.4 |
1090 |
1.0 |
24.5 |
30 |
225M-6-B3 |
108 |
1802 |
0.6 |
1450 |
24.7 |
30 |
200L-4-B3 |
105 |
1760 |
1.0 |
38.2 |
45 |
225M-4-B3 |
120×2-46 |
79.6 |
1327 |
0.6 |
950 |
17.8 |
22 |
5.5 |
200L2-6-B3 |
77.2 |
1285 |
1.0 |
28.2 |
37 |
250M-6-B3 |
126 |
2101 |
0.6 |
1450 |
28.5 |
37 |
225S-4-B3 |
123 |
2059 |
1.0 |
44.1 |
55 |
225M-4-B3 |
150×2-46 |
158 |
2640 |
0.6 |
950 |
34.6 |
45 |
5.5 |
Y280S-6-B3 |
154 |
2582 |
1.0 |
54.5 |
75 |
Y315S-6-B3 |
241.7 |
4029.7 |
0.6 |
1450 |
53.8 |
75 |
Y280S-4-B3 |
236.5 |
3942.2 |
1.0 |
82.2 |
90 |
Y280M-4-B3 |
|
|
|
|
| | | | | | |