·设为首页 | ·加入收藏夹  | ·联系我们
 
产品介绍<Product >

袋式精细过滤器

产品概述
   袋式精细过滤器是由容器、滤袋、支撑网篮三部分构成一个简便、高效、通用的液体过滤系统。需要过滤的流体,由上口进入滤袋,液体中的固定物质会被阻留在袋内,从而得到清洁的流体,由于其使用简便,经济合理,因而广泛用于石油产品、化工产品、油漆、食品及饮料、污水等方面过滤。袋式精细过滤器具有高流通能力,高过滤精度,低成本,操作简便、快速等特点。适用于任何微细颗粒(少于1000ppm)的过滤,精度范围可从1至1000mm及1至1000m3/h 的液体过滤。


型号标注
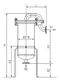
1. 单线式精细过滤器JHGB-I型
型 号
流量
过滤面积
安装尺寸
(m3/h)
(m2)
H
L
h1
h2
h3
JHGB-IA
18
0.24
965-1110
300
380
120-265
465
JHGB-IB
36
0.48
1230-1725
300
710
0-495
695

注:● 表中所列流量以水为介质
  ● 设备工作压力≤1.0MPa
  ● 进出口接管规格:DN50、PN1.6。
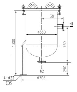
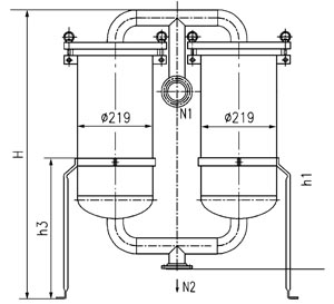
2. 多袋式精细过滤器JHGB-II型
四袋式精细过滤器JHGB-4II
主要技术参数
工作压力(MPa)
≤1.0
工作温度(℃)
≤200
处理量(m3/h)
140(以水为介质)
进出口接管规格
DN100 PN1.6
五至八只袋精细过滤器JHGB-5~8II型
型号
流量
安装尺寸
(m3/h)
H
h1
h2
h3
h4
L1
L2
D
JHGB-5II
180
1800
780
580
200
300
340
520
F650
JHGB-6II
216
JHGB-7II
252
2050
780
790
290
300
260
500
F800
JHGB-8II
288

注:● 表中所列流量以水为介质,工作压力≤1.0MPa
  ● 进出口N1、N2接管规格,JHGB-5、6II为DN100、PN1.6,
JHGB-7、8II为DN150、PN1.6
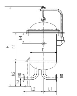
3. 并联式精细过滤器JHGB-III型
型 号
流量
安装尺寸
(m3/h)
H
h1
h2
h3
JHGB-IIIA
36
1040-1190
500
210-360
695
JHGB-IIIB
72
1175-1540
850
0-360
注:● 表中所列流量以水为介质,工作压力≤1.0MPa
  ● 进出口接管规格:DN65、PN1.6
袋精细过滤器应用领域
石油化工
1、航空煤油及润滑油的过滤
2、石油及燃油添加剂的过滤
3、油品回收
4、石油及天然气脱水溶剂的过滤
5、PVC生产中的液体及气体过滤
水 处 理
1、海水去除颗粒
2、离子交通树脂回收
3、冷却装置中系统净化
4、管道结垢的清
5、PVC生产中的液体及气体过滤
6、用于水处理的化学品过滤
7、城市供水的滤清
8、钙结晶的去除
9、油田注水和完井液的过滤
精细化工
1、催化剂回收
2、去除表面活性剂结晶盐份
3、X-射线悬物的滤清
4、洗涤剂的滤清
5、化妆品原料及成品的过滤
化 学 品
1、催化剂回收
2、酸、碱和溶剂的滤清
3、碳墨及助滤剂的去除
4、管道结垢的去除
5、乳液和悬浮液的过滤
涂料和油漆
1、去除悬浮凝结块
2、去除油漆凝结块
3、去除油漆中的结块
4、溶剂的过滤
5、贮罐污物的去除
6、球磨机填塞物的去除
食品及饮料
1、啤酒中PolYCLar的过滤
2、葡萄洒、威士忌和啤洒的抛光过滤
3、烹饪油中杂质颗粒的去除
4、去除纤维素中的碳黑
5、玉米糖浆的抛光过滤
6、动植物提取液的滤清
7、食用醋和酱油的抛光过滤
8、听罐涂层的涂料过滤
9、洗瓶用碱洗液的过滤
粘 结 剂
1、从丙烯酸粒剂中去除凝胶
2、树脂及结晶物的去除
3、去除胶性涂料中的凝结块
4、热溶聚合物的过滤
5、去除悬乳液中的PVA凝结块



   
版权所有:(C)上海埃东机电设备有限公司  地址:上海市延长中路801号 新华科技园A座2018-2020室  
电话:021-36363380 36363381 36363382 传真:021-36363382 邮编:200072  
http://www.shadjd.com  E-mail:adjd@shadjd.com 沪ICP备08027471号